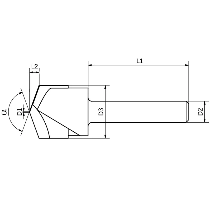
| Ref. | D1 mm | L2 mm | D3 mm | L1 mm | α | Z | D2 mm |
|---|---|---|---|---|---|---|---|
|
4237501
|
3
|
8,2
|
20
|
35
|
92o
|
2
|
8
|
|
4237502
|
2
|
3,7
|
20
|
35
|
135o
|
2
|
8
|


